Most nem élőben látod a liciteket — frissítsd az oldalt, nehogy lecsússz valamiről.

Csomagoló gépsor

#1
Kikiáltási ár: €40 000
Vásárlói felár

A mindenkori leütési áron felül fizetendő jutalék. Pl.: leütési ár: €100, 18% vásárlói felár esetén a fizetendő ár: €118 (nettó árak)

18%
Áfa
27%
Helyszín
6000 Kecskemét, Halasi út 29.
Mennyiség
1 db
A licit elküldésével szerződés jön létre az ajánlattevő és az árverésszervező között,mely alapján az ajánlattevőnek vásárlási kötelezettsége keletkezik. Amennyiben kérdése merül fel a tétellel vagy a licitálással kacsolatban, azt kérjük a licit elküldése előtt tegye fel.

Részletes leírás

Leírás: Csomagoló gépsor poharas vagy dobozos termékek kartonba való gyűjtő csomagolásához
Gyártó: A+F Automation + Fördertechnik GmbH
Gyártási év: 2017
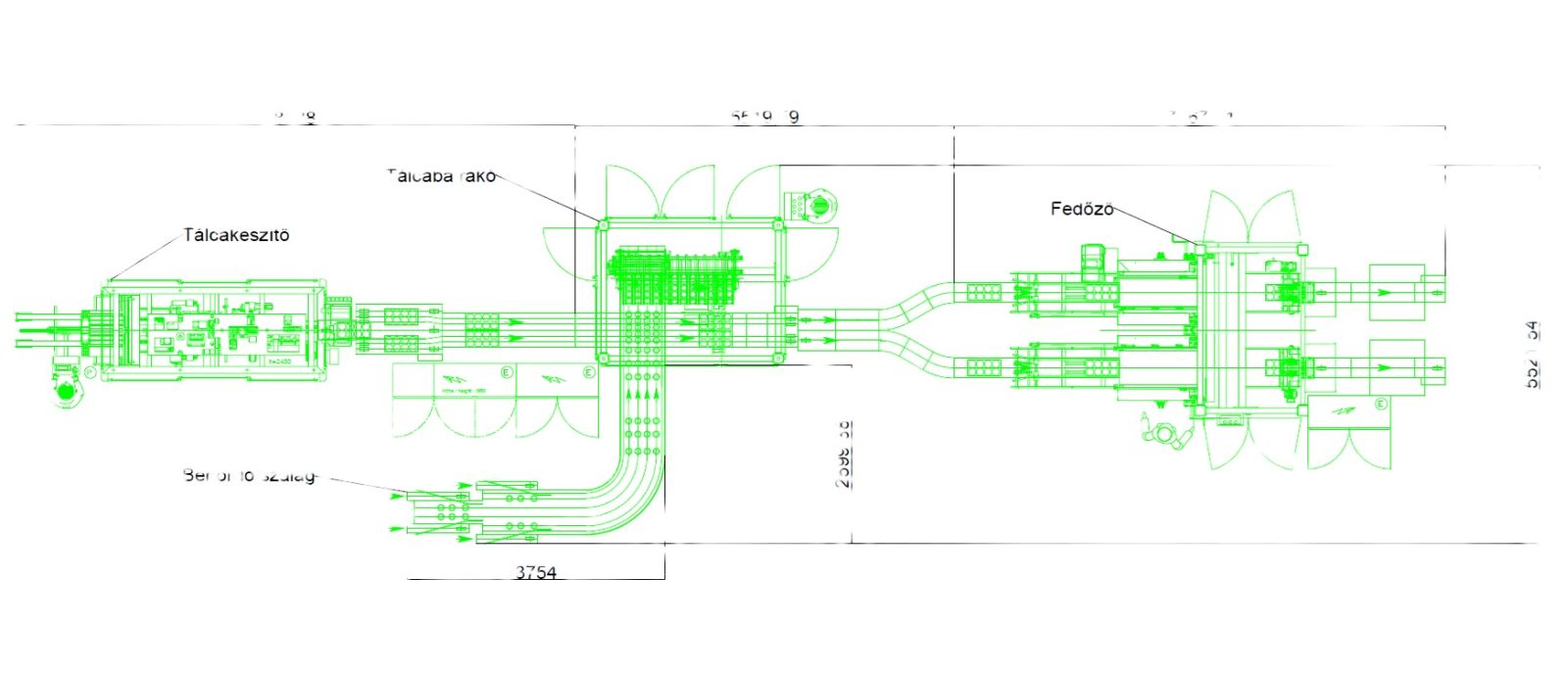
Gépsor részei:
1/Tálcakészítő gép: Előre stancolt sík kartonból tálca hajtogatásra és ragasztásra képes.
Tálca méretek (mm):
-Nagy: 498x485, 8 db. termék, 310 db./perc, ciklus idő: 39 ciklus/perc
-Normál: 459x447, 8 db. termék, 400 db./perc, ciklus idő: 50 ciklus/perc
2/Tálcábarakó gép (3x16A, min. 6 bar)
Egy ütemben 8 db. poharas vagy dobozos termék tálcakészítőről érkező tálcákba behelyezésére alkalmas.
3/Fedőzőgép (3x25A, min. 6 bar)
A tálcábarakó gépről érkező termékkel megtöltött tálcákat méretre stancolt kartont hajlít és ragaszt.
-Normál fedő: 418x397, 422x397, 409x394
Vonal sebesség: 400 db./perc
Ciklus idő: 25 ciklus/perc
-Nagy fedő: 460x432, 456x318
Vonal sebesség: 310 db/perc
Ciklus idő: 20 ciklus/perc
Megjegyzés: a gépsor teljesen szétszerelt állapotban van.

További információk

A tétel adatlapján feltüntetett leírások a rendelkezésre álló információink alapján készültek. Az eszközök működőképességét, rejtett hibáit nem vizsgáltuk, azokról nincs tudomásunk.

Kérjük, hogy licitálás előtt személyesen is tekintsék meg a megvásárolni kívánt tételeket, mert utólag nem tudunk reklamációt elfogadni.

Tétel tartalmának szükség szerinti helyszíni bontása, rakodása, csomagolása, elszállítása a vevő feladata.

A szállítási és bontási költségek a vásárlót terhelik.

A szállítást akkor lehet megkezdeni, ha az eladó az erre vonatkozó engedélyt megadta.

A leütési ár nem tartalmazza az ÁFÁ-t és a vásárlói felárat.

Aktuális ár:
€40 000
Hátralévő idő
Lezárva
Naptárhoz adom

Helyszíni szemle regisztráció!

Helyszín

Kecskemét

Időpontok

2025 június 11. 10-12 óra között

Megjegyzés

A megtekintésen való részvételhez előzetes jelentkezés szükséges (2 munkanappal az időpont előtt) a Jelentkezés a megtekintésre gombra kattintva. Az információt a visszaigazoló e-mailben küldjük el.

Ne maradjon le semmiről!

Alkalmazásként is használahotod ezt az oldalt.

A webalkalmazás hozzáadható a kezdőképernyőhöz!

Nyissa meg a 'Megosztás' menüt, és válassza a 'Hozzáadás a Kezdőképernyőhöz' opciót.